Yang harus diperhatikan ketika mengerjakan soal rangkaian tertutup dengan hukum kirchhoff antara lain. Pertama kali hukum ini diperkenalkan yakni oleh seorang ahli fisika jerman yang bernama gustav robert kirchhoff 1824 1887 pada tahun 1845.
Kunci Jawaban Loop 2 Atau Lebih Fisika Memang Asyik
Termasuk daya dan energi listrik.
Contoh soal rangkaian listrik 2 loop. Rangkaian listrik sederhana soal beda potensial 2 loop fisika sma duration. 1 rangkaian listrik berikut terdiri 3 buah hambatan dan satu buah baterai 24 volt yang memiliki hambatan dalam 1 w. Loop berfungsi sebagai perkiraan arah aliran arus.
Apabila dan maka kuat arus yang mangalir pada rangkaian adalah. S e si. Termasuk daya dan energi listrik.
Jika rangkaian di atas sobat buat loop a b c d maka sesuai hukum kirchoff ii berlaku persamaan. Rangkaian dengan satu loop. Lihat gambar dibawah dan tentukan.
Apabila dirumuskan akan menghasilkan rumusan sebagai berikut. Cara mudah mencari kuat aris listrik pada rangkaian 2 loop hika diketahui gambar dan hambatannya. Khusus membahas tentang rangkaian listrik tertutup satu loop dua loop seri paralel dan campuran.
Hukum kirchhoff ialah merupakan dua persamaan yang saling berhubungan dengan arus namun berbeda potensial umumnya dikenal dengan tegangan dalam rangkaian listrik. A kuat arus rangkaian b kuat arus pada r 1 r 2. Kita dapat menentukan arah loop sesuka hati dengan catatan jika dalam perhitungan ditemukan kuat arus berharga negatif maka arah loop yang kita buat salah.
Contoh soal rangkaian dengan dua loop. 1 rangkaian listrik berikut terdiri 3 buah hambatan dan satu buah baterai 24 volt yang memiliki hambatan dalam 1 w. Hukum yang kedua mengenai tegangan yang menjelaskan bahwa jumlah aljabar perubahan tegangan yang mengelilingi suatu rangkaian tertutup loop sama dengan nol.
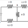
Tentukan kuat arus yang mengalir dalam hambatan di 1w 25w dan 6w serta tentukan juga besarnya beda. Pada soal ini rangkaian harus dibuat menjadi 2 loop yang ditandai dengan adanya 2 sumber tegangan dengan jalur yang berbeda tidak satu jalur. Khusus membahas tentang rangkaian listrik tertutup satu loop dua loop seri paralel dan campuran.
Dalam rangkaian dengan satu loop kuat arus yang mengalir adalah sama yaitu sebesar i. Rangkaian dengan dua loop atau lebih listrik dinamis sma. Download rangkuman contoh soal listrik dinamis dalam bentuk pdf klik disini.
R 0 e 1 e 2 i r 4 r 2 r 3 r 1 0. Perhatikan rangkaian majemuk berikut ini. Perhatikan gambar rangkaian tertutup dibawah ini.
Contoh soal dan pembahasan listrik arus searah materi fisika kelas 1 sma. Jika ada lebih dari satu sumber tegangan yang berbeda jalur arus listrik maka harus dibuat lebih dari 1 loop bisa 2 atau lebih tergantung model rangkaian. Contoh soal hukum kirchhoff contoh soal 1.
Kita terlebih dahulu tentukan arah arus dan arah loop dalam hal ini kita akan menentukan arah loop searah dengan arah jarum jam. Home listrik dinamis sma rangkaian dengan dua loop atau lebih.
Rangkaian Dengan Dua Loop Atau Lebih
Rangkaian Dengan Dua Loop Atau Lebih
Fisika Kelas 12 Penjelasan Hukum I Dan Ii Kirchoff
Hukum Kirchoff Dan Contoh Soal
Soal Dan Pembahasan Rangkaian Listrik 2 Loop Tanya Soal
Tips Teori Simpul Untuk Menyelesaikan Suatu Rangkaian Listrik Dua
Contoh Soal Hukum Kirchoff Tentang Loop Beserta Jawabannya Primalangga
Hukum Kirchoff Dan Contoh Soal
Dc17 Contoh Rangkaian Listrik Dua Loop Fisika Sma
Hukum Kirchhoff Pengertian Rumus Contoh Soal
Hukum Kirchoff 1 Dan 2 Pengertian Rumus Contoh Soal
Cara Menghitung Kuat Arus Pada Hukum Kirchoff Fisika Sma Bacaanku
Rangkaian Dengan Dua Loop Atau Lebih
Hukum Kirchoff Tegangan Dan Arus Listrik Soldien
Cara Menghitung Kuat Arus Pada Hukum Kirchoff Fisika Sma Bacaanku
Hukum Ii Kirchhoff Fisika Memang Asyik
Contoh Soal Rangkaian Listrik Ruang Belajar Siswa Kelas 8
Dc11 Contoh Soal Rangkaian Listrik Dua Loop Fisika Sma
Pembahasan Sbmptn Fisika 2015 Tentang Hukum Ii Kirchoff Fokus Fisika
Contoh Soal Hukum Kirchoff Tentang Loop Beserta Jawabannya Primalangga
Soal Dan Pembahasan Hukum Kirchhoff
Listrik Dinamis Materi Pembahasan Dan Contoh Soal
Aplikasi Hukum I Dan Ii Kirchhoff Pada Rangkaian Tertutup Loop
Fisika Kelas 12 Penjelasan Hukum I Dan Ii Kirchoff
Konsep Rangkaian Listrik 2 Loop Fisika Sma
Hukum Kirchoff Dan Contoh Soal
Hukum Kirchoff 2 Belajar Fisika Asyik Dan Menyenangkan
Contoh Soal Penerapan Hukum Kirchhoff Myrightspot Com
Contoh Soal Penggunaan Hukum Ii Kirchhoff
Contoh Soal Hukum Kirchoff Tentang Loop Beserta Jawabannya Primalangga
Aplikasi Hukum I Dan Ii Kirchhoff Pada Rangkaian Tertutup Loop
Contoh Soal Resistor Seri Paralel Dan Kombinasi Seri Paralel
Rumus Cepat Menentukan Arus Pada Rangkaian Listrik 2 Loop
Soal Dan Pembahasan Fisika Persiapan Sbmptn Kelaswaistana 170513
Hukum Kirchhoff Pengertian Rumus Contoh Soal
Cara Mudah Dan Cepat Mencari Arus Pada Rangkaian Listrik Sederhana 2 Loop Fisika Sma
Hukum Ii Kirchhoff Materi Dan Soal Ipa Untuk Sma
Konsep Dan Contoh Soal Hukum Kirchhoff Rangkaian Loop Fisika Sma
Hukum Kirchoff Materi 5 Fisika Listrik Dan Magnet
Bunyi Hukum Kirchoff 1 Dan 2 Contoh Soal Rumusnya Lengkap
Contoh Soal Resistor Seri Paralel Dan Kombinasi Seri Paralel
Analisa Rangakain Dc Menggunakan Analisa Mesh Hasan Basri
Hukum Kirchhoff Pengertian Rumus Contoh Soal
Hukum Ii Kirchhoff Berbunyi Di Dalam Sebuah Rangkaian Tertutup
Cara Mudah Mencari Arus Pada Rangkaian 2 Loop Fisika Sma
Konsep Dan Contoh Soal Hukum Kirchhoff Rangkaian Loop Fisika Sma
Pembahasan Sbmptn Fisika 2015 Tentang Hukum Ii Kirchoff Fokus Fisika
Fisika Sma Listrik Dinamis Hukum Ii Kirchoff Rangkaian 2 Loop
Hukum Kirchhoff Pengertian Rumus Contoh Soal
Contoh Soal Dan Pembahasan Hukum Khircoff
5 Contoh Soal Dan Pembahasan Arus Listrik Searah Dc
Materi Rangkaian Arus Searah Dan Contoh Soal Fisika Sma Kelas Xii
Konsep Dan Contoh Soal Hukum Kirchhoff Rangkaian Loop Fisika Sma
Rangkuman Contoh Soal Pembahasan Listrik Dinamis
Contoh Soal Rangkaian Listrik Belajar Sastra Dan Seni
Rangkuman Contoh Soal Pembahasan Listrik Dinamis
Hukum Ii Kirchhoff Materi Dan Soal Ipa Untuk Sma
Belajar Un Fisika 2011 Skl 5 Bag 3 Rangkaian Listrik
Rangkaian Listrik Sederhana Soal Beda Potensial 2 Loop Fisika Sma
Konsep Dan Contoh Soal Hukum Kirchhoff Rangkaian Loop Fisika Sma
Soal Dan Pembahasan Rangkaian Listrik 2 Loop Tanya Soal
Rangkaian Dengan Dua Loop Atau Lebih
Rangkaian Listrik Ii Untuk Diploma Iii Pdf
Cara Menghitung Kuat Arus Pada Hukum Kirchoff Fisika Sma Bacaanku
Hukum Kirchoff Dan Contoh Soal
Hukum Ii Kirchoff Dengan Satu Loop
Hukum Kirchoff Bunyi Makalah Dasar Teori Rumus Contoh Soal
Hukum Kirchhoff Pengertian Rumus Contoh Soal
Rangkaian Listrik Sederhana 1 Soal Kuat Arus 1loop Fisika Sma
Hukum Kirchoff 1 Dan 2 Pengertian Teori Rumus Contoh Soal
Rangkuman Contoh Soal Pembahasan Listrik Dinamis
Konsep Dan Contoh Soal Hukum Kirchhoff Rangkaian Loop Fisika Sma
Contoh Soal Fisika Rangkaian Listrik Contoh Pidato Dan Kata
Gaya Gerak Listrik Ggl Ppt Download
Hukum Kirchoff 1 Dan 2 Pengertian Rumus Contoh Soal
5 Contoh Soal Dan Pembahasan Arus Listrik Searah Dc
Soal Fisika Temen Yang Bisa Bantuin Ya Brainly Co Id
Rumus Rangkaian Listrik Dan Contoh Contoh Soal Beserta Jawabannya
Soal Hukum Kirchoff Dan Penyelesaiannya Ayo Sekolah Fisika
Materi Rangkaian Arus Searah Dan Contoh Soal Fisika Sma Kelas Xii
Contoh Soal Rangkaian Listrik Ruang Belajar Siswa Kelas 8
Bab Iv Metode Analisis Rangkaian 4 1 Analisis Arus Cabang
Hukum Kirchhoff Pengertian Rumus Contoh Soal
Analisa Loop Dua Loop Dua Sumber Tegangan Bank Soal Un Fisika
Analisa Rangkaian Listrik Musayyanah
5 Contoh Soal Dan Pembahasan Arus Listrik Searah Dc
Materi Rangkaian Arus Searah Dan Contoh Soal Fisika Sma Kelas Xii





